Bayern-Wittelsbacher
Abbildung 2.1 und 2.2

Abkürzungen: ~600 um 600, a. d. an der, Abd. Abdankung, Abh. Abhängigkeit, -b˘g. -burg, Bf. Bischof, -bg. -berg, Bgf. Burggraf, Bm. Bistum, d. Ä. d. Ältere, d. Ju. d. Junge, d. Jü. d. Jüngere, dt. deutsch, Ebf. Erzbischof, Ebm. Erzbistum, Ehz. Erzherzog, Fsm. Fürstentum, Fst. Fürst, Gf. Graf, Gfn. Gräfin, Gft. Grafschaft, Ghz. Großherzog, Ghzn. Großherzogin, Hz. Herzog, hzgl. herzöglich, Hzm. Herzogtum, Kf. Kurfürst, Kfm. Kurfürstentum, Kg. König, kgl. königlich, Kgn. Königin, Kgr. Königreich, Ks. Kaiser, Kurw. Kurwürde, Lgf. Landgraf, Mgf. Markgraf, Mgft. Markgrafschaft, n. 992 nach 992, Nied. Nieder-, Ob. Ober-, P.U./PU Personalunion, Pfg. Pfalzgraf, Pr./Prz. Prinz, Prät. Prätendent, Przr. Prinzregent, Reg. Regent(in), Sign. Signore, Sn. Seigneur, Statth./Sth. Statthalter, Thronf. Thronfolger, Unt. Unter-, v. 1045 vor 1045, v. Tirol von Tirol (v. wird dabei oft weggelassen, Bsp.: Gf. Hoya Gf. v. Hoya)
Beschreibung
Anfänge der Familie Wittelsbach
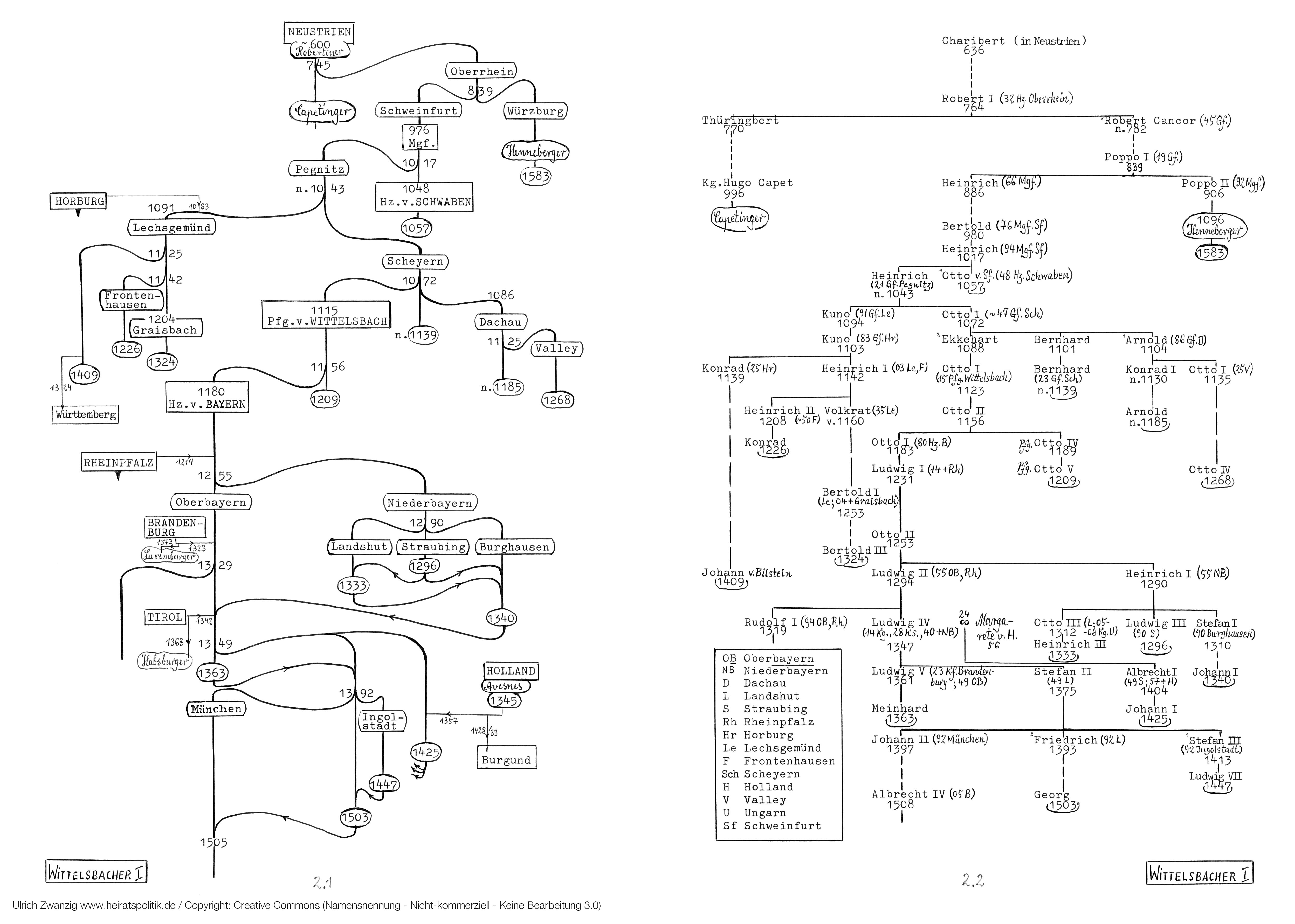
Die Anfänge der Familie Wittelsbach scheinen im dunkeln zu liegen. Jedenfalls gibt es, was die Zeit vor Otto I († 1072) anbelangt, über die Abstammung verschiedene Meinungen und Spekulationen. An ihnen vermag der Autor, der kein Historiker ist, sich nicht zu beteiligen. Darum werden die in 2.1 und 2.2 vorgetragenen Angaben zur Zeit vor 1072 hier so beschrieben, als handele es sich um gesicherte Angaben.
Demnach bildeten die Grafen von Scheyern, die sich seit 1115 nach der Burg Wittelsbach nannten, über Gf. Heinrich an der Pegnitz († n. 1043) eine jüngere Linie der Markgrafen v. Schweinfurt. (Die ältere Linie erhielt Lechsgemünd und verzweigte sich nach Horburg, Frontenhausen und Graisbach.) Die Schweinfurter wiederum waren über die Popponinger in männlicher Linie Abkömmlinge der Robertiner, von denen auch die Capetinger abstammten.
Bei den Popponingern, die auch als „ältere Babenberger“ bekannt sind, handelte es sich um die erbitterten Rivalen der Konradiner in (Main-)Franken. Obwohl von den Konradinern 906 völlig entmachtet und seit 945 von der Bühne abgetreten, gelten die Popponinger als Vorfahren der Burggrafen v. Würzburg, aus denen wiederum die Grafen v. Henneberg hervorgingen.
Von den Scheyern hatte sich 1072 die pfalzgräfliche Linie abgespalten. Mit ihrem Ende 1209 erlosch auch das bayrische Pfalzgrafenamt. Als Ersatz fiel dem Hauptast, von dem sie sich 1156 getrennt hatte, 1214 die Pfalz bei Rhein zu. Schon 1180 war ihm die bayrische Herzogswürde, die Heinrich d. Löwe eingebüßt hatte, von Ks. Friedrich Barbarossa zugesprochen worden.
Damit begann die Macht der Wittelsbacher merklich anzuschwellen. Von allen Pfalzprojekten erwies nur das rheinische sich als erfolgreich, wenn auch nicht im Sinne der Kaiser, die mit den Pfalzen ursprünglich ein Gegengewicht zur Herzogsmacht hatten schaffen wollen: Vielmehr bestand der Erfolg der Rheinpfalz darin, selber zum ansehnlichen Territorium aufzusteigen. Und in Bayern, dessen stammesherzöglichen Züge schon seit dem 10. Jh. geschwunden waren und territorialen Strukturen zu weichen begonnen hatten, trieben die Wittelsbacher diese Entwicklung so voran, daß hier um die Mitte des 13. Jh. das musterhafte Territorialherzogtum entstand.
Sie verwendeten hierfür das auf bayrischem Boden angefallene Gut verblichener Adelsfamilien, nicht zuletzt das der eigenen Nebenlinien: So waren die ebenfalls von der Linie Scheyern 1072 abgespaltenen Grafen v. Dachau mit Gf. Arnold um 1185 und die von ihnen 1125 abgespaltenen Grafen v. Valley mit Otto IV 1268 ausgestorben.
Jedenfalls lohnte es sich für den Herzog v. Bayern, die angesammelte Ländermasse unter die Schar seiner Söhne aufzuteilen. Dies geschah mehrmals. Doch vier Teilungen verdienen hervorgehoben zu werden: die von 1255, 1329, 1349 und 1392.
1) Teilung 1255
1255 beschränkte sich Ludwig II auf Oberbayern und die Rheinpfalz, sein Bruder Heinrich I auf Niederbayern. Nach dessen Ableben 1290 gingen Landshut, Straubing und Burghausen getrennte Wege, bis Heinrichs III Tod 1333 die Einheit Niederbayerns, Johanns I Tod 1340 auch die Einheit Bayerns wiederherstellte.
2) Teilung 1329
Inzwischen hatte Ludwig IV, seit 1328 Kaiser, gemäß dem Hausvertrag von Pavia 1329 die Pfalz samt der Kurwürde seinem Neffen Rudolf II überlassen. Dessen Großneffe Ruprecht III wurde sodann zum Vater der pfälzischen Zweige, dank denen das Haus Wittelsbach bis heute überlebt hat. Denn der bayrische Zweig endete 1777.
3) Teilung 1349
Der bayrische Zweig unterzog sich 1349 einer Teilung unter Ks. Ludwigs IV Söhne, welche die von 1255 erneuerte. Dabei gelangte an Oberbayern auch die Mark Brandenburg, mit der Ludwig V 1323 nach dem Tod 1320 des Askaniers Heinrich II belehnt worden war. Hinzu kam 1342 Tirol.
An Straubing gelangte nach dem Tod Wilhelms IV 1345 vom Hause Avesnes die Gft. Hennegau samt Holland. Dieser Zuwachs ging nach dem Ende der Linie Straubing durch Johanns I Tod 1425 an Burgund, Tirol durchs Ableben Meinhards v. Oberbayern 1363 an Habsburg, Brandenburg 1373 an die Luxemburger verloren.
4) Teilung 1392
Erneuert wurde Bayerns Vierteilung noch einmal 1392, als neben Straubing die Zweige München, Landshut und Ingolstadt traten. Aber seit nach dem Ende 1503 Georgs v. Landshut nur mehr Albrecht IV v. München übrigblieb, herrschten die bayrischen Herzöge, seit 1623 auch Kurfürsten, bis zum Schluß, als 1777 Maximilian III starb, über ein ungeteiltes Land.