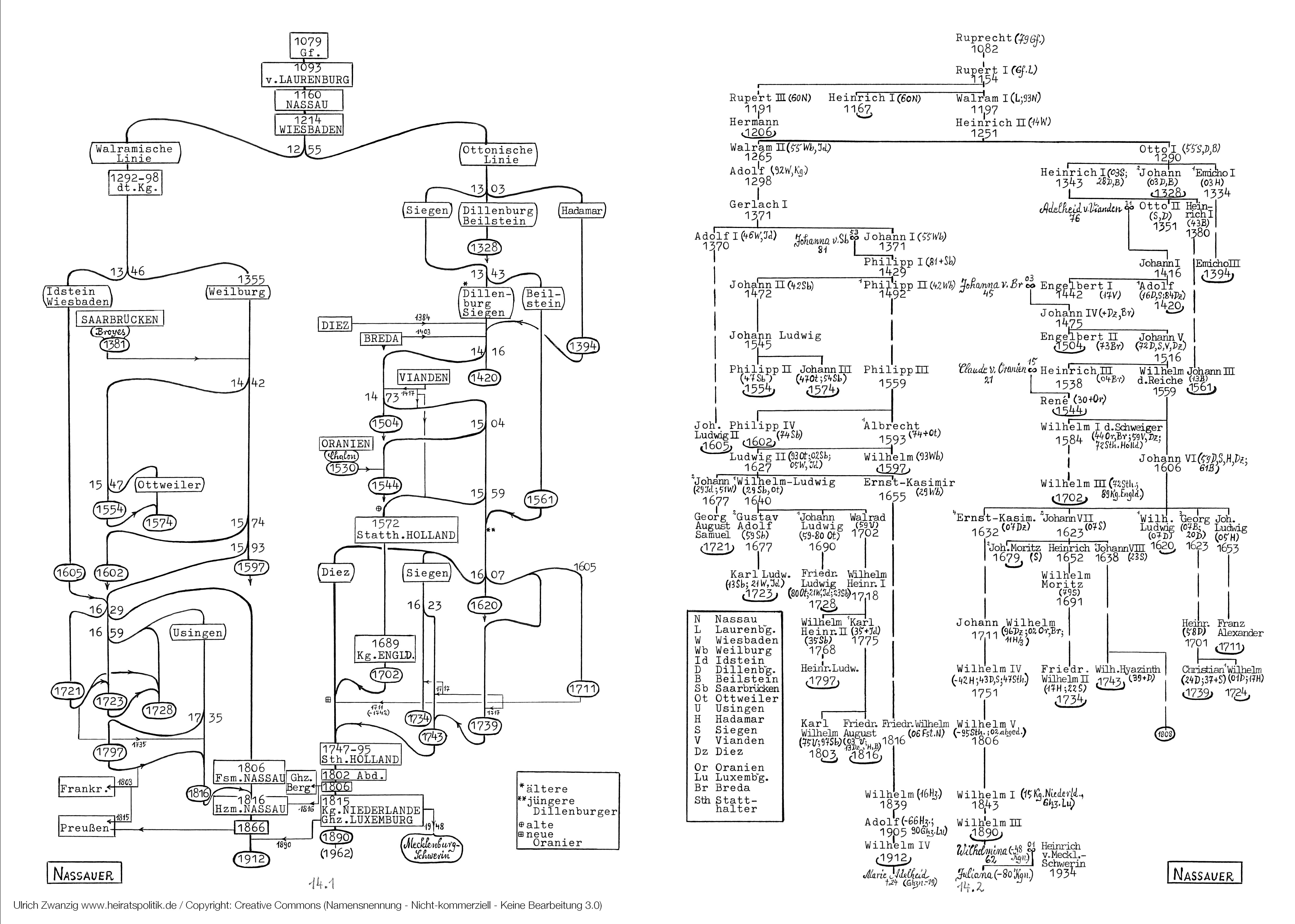
Nassauer
Abbildung 14.1 und 14.2

Abkürzungen: ~600 um 600, a. d. an der, Abd. Abdankung, Abh. Abhängigkeit, -b˘g. -burg, Bf. Bischof, -bg. -berg, Bgf. Burggraf, Bm. Bistum, d. Ä. d. Ältere, d. Ju. d. Junge, d. Jü. d. Jüngere, dt. deutsch, Ebf. Erzbischof, Ebm. Erzbistum, Ehz. Erzherzog, Fsm. Fürstentum, Fst. Fürst, Gf. Graf, Gfn. Gräfin, Gft. Grafschaft, Ghz. Großherzog, Ghzn. Großherzogin, Hz. Herzog, hzgl. herzöglich, Hzm. Herzogtum, Kf. Kurfürst, Kfm. Kurfürstentum, Kg. König, kgl. königlich, Kgn. Königin, Kgr. Königreich, Ks. Kaiser, Kurw. Kurwürde, Lgf. Landgraf, Mgf. Markgraf, Mgft. Markgrafschaft, n. 992 nach 992, Nied. Nieder-, Ob. Ober-, P.U./PU Personalunion, Pfg. Pfalzgraf, Pr./Prz. Prinz, Prät. Prätendent, Przr. Prinzregent, Reg. Regent(in), Sign. Signore, Sn. Seigneur, Statth./Sth. Statthalter, Thronf. Thronfolger, Unt. Unter-, v. 1045 vor 1045, v. Tirol von Tirol (v. wird dabei oft weggelassen, Bsp.: Gf. Hoya Gf. v. Hoya)
Beschreibung
Fünf der hier behandelten Territorialdynastien blieben auf Dauer in zwei Hauptlinien gespalten: die Hohenzollern seit 1227 in eine fränkische und schwäbische, die Nassauer seit 1255 in eine ottonische und walramische Linie, die Wittelsbacher seit 1329 in Bayern und Pfalz, die Wettiner seit 1485 in Albertiner und Ernestiner, die Brabanter seit 1567 in Kassel und Darmstadt.
Ausgenommen die Hohenzollern, vollzog sich in keinem der genannten Häuser diese klassische Aufteilung so früh wie im Hause Nassau. Doch seine beiden Linien sind ausgestorben: mit Kg. Wilhelm III v. d. Niederlanden 1890, und mit Ghz. Wilhelm IV v. Luxemburg 1912.
Teilung 1255
Nassaus Stammvater hieß Ruprecht. Er amtierte seit 1079 als Vogt oder Graf im Siegerland, sein Sohn Dedo seit 1093 als Gf. v. Laurenburg.
Dessen Enkelsöhne, seit 1160 Grafen v. Nassau, begannen sich zu profilieren, und Gf. Heinrich II hatte schon so viele Güter an der Lahn angehäuft, daß eine Teilung unter seine beiden Söhne sinnvoll wurde. Allerdings sicherte Otto I sich 1255 die günstigeren Gebiete im Norden, wie überhaupt die ottonischen Nassauer, zumal seit ihrem Eintritt in die niederländische Sphäre, eine glänzendere Figur machen sollten als die älteren, walramischen Nassauer.
a) Linie Walram
Die walramischen Nassauer gingen zurück auf Ottos I Bruder Walram II. Dessen Sohn war der deutsche König Adolf (1292-1298). Sein Unglück bestand darin, in der Epoche der Hausmachtspolitik König ohne Hausmacht zu sein.
Seine Enkel schritten zur Teilung 1346: Adolf I begann die Linie Idstein und Wiesbaden, die mit Johann Ludwig II 1605 endete; Johann I die Linie Weilburg, die zwar mit Wilhelm 1597 endete, aber von der Linie Saarbrücken seines Bruders Ludwig II aufgefangen wurde.
Johann I hatte nämlich vom Haus Broyes 1381 Saarbrücken erheiratet, so daß hierfür eine Linie 1442 (mit Nebenlinie Ottweiler ab 1547) und erneut 1574 abzweigte; und als auch diese 1602 endete, war das ganze walramische Erbe ab 1605 unter Ludwig II v. Weilburg wiedervereinigt. Daher schritten die Söhne zur Teilung 1629.
Doch die dritte Linie Saarbrücken, die Ludwig II eröffnet hatte, erlosch in ihrem Zweig Usingen 1816 endgültig, desgleichen Idstein-Wiesbaden 1721. Einzig der von seinem jüngsten Sohn Ernst-Kasimir gegründete Zweig Weilburg dauerte fort.
Wilhelm v. Weilburg wurde 1816 Hz v. Nassau. Dessen Sohn Adolf verlor jedoch nach dem Deutschen Krieg sein Herzogtum 1866 an Preußen und wurde 1890 Ghz. v. Luxemburg. Sein Sohn Wilhelm IV, der letzte vom Hause Nassau, starb 1912, dessen Tochter Charlotte regierte bis 1964, dann ihr Sohn Johann v. Bourbon-Parma.
b) Linie Otto
Ottos Söhne verständigten sich auf eine Teilung 1303: Emicho I übernahm Hadamar, dessen Zweig mit Emicho III 1394 schloß; Johann, der Dillenburg und Beilstein bekam, starb 1328, so daß Heinrich I, Inhaber von Siegen, dessen Anteil hinzugewann.
Zu erwähnen ist noch die Teilung 1343: Sie trennte Beilstein von der sog. älteren Dillenburger Linie, mit der nun statt dessen Siegen vereinigt war. Indem an sie der Zweig Beilstein nach Johann III 1561 zurückkehrte, entstand die sog. jüngere Dillenburger Linie.
Besonderes Augenmerk aber verdient die ältere Linie. In ihr hatte sich unterdessen eine bemerkenswerte Umorientierung zugetragen. Aus den Nassauern wurden hier die Oranier.
1) Niederländische Orientierung
Heinrichs I Schwiegertochter Adelheid brachte Vianden an seinen Urenkel Engelbert I, und dessen Gattin Johanna brachte Breda an seinen Sohn Johann IV.
Damit hatten die älteren Dillenburger ihre Fühler nach Luxemburg und Niederlanden ausgestreckt, und Johanns IV Enkel Heinrich III, mit dem sich 1504 ein eigener Zweig Breda abzusondern begann, wandelte diesen demnächst um in einen Zweig Oranien. Heinrich III hatte nämlich die Erbtochter Claude v. Orange geehelicht, und nach dem Ende der Familie Ivrea-Chalon in Orange kam ihr Fürstentum an seinen Sohn René.
2) Alte Oranier
Auf diese Weise entstanden die sog. alten Oranier: Renés Cousin Wilhelm I, der 1559 die Absonderung des Zweiges Breda erneuerte und wiederum Oranien, Diez (erworben 1384) und Vianden erhielt, bekleidete ab 1572 auch das Statthalteramt Hollands, das die Oranier bis zu Wilhelm III 1702 innehatten, der 1689 auch englischer König wurde.
3) Teilung 1607: Neue Oranier
Mit dem Ende der alten Oranier brach die letzte Phase der Familiengeschichte Nassaus an. Die jüngeren Dillenburger gründeten nach Johann VI 1607 abermals Seitenlinien für Siegen (-1743), Dillenburg (-1739), Hadamar (-1711) und Diez.
An letztere fiel Wilhelms III Hinterlassenschaft: Johann Wilhelm v. Diez gewann 1702 Oranien und Breda, sein Sohn Wilhelm IV nach und nach Hadamar, Dillenburg und Siegen, ferner 1747 die niederländische Statthalterschaft; dessen Enkel Wilhelm (I) wurde 1815 Kg. d. Niederlande und Ghz. v. Luxemburg.
Mit Wilhelm III endeten die Ottonen 1890. Es folgte seine Tochter Kgn. Wilhelmina, ab 1962 ihre Tochter Juliana aus dem Haus Mecklenburg-Schwerin, ab 1980 Beatrix aus dem Haus Lippe-Biesterfeld, das 1905 Lippe-Detmold beerbt hatte (vgl. 8.2).