Schaumburger
Abbildung 8.1 und 8.2

Abkürzungen: ~600 um 600, a. d. an der, Abd. Abdankung, Abh. Abhängigkeit, -b˘g. -burg, Bf. Bischof, -bg. -berg, Bgf. Burggraf, Bm. Bistum, d. Ä. d. Ältere, d. Ju. d. Junge, d. Jü. d. Jüngere, dt. deutsch, Ebf. Erzbischof, Ebm. Erzbistum, Ehz. Erzherzog, Fsm. Fürstentum, Fst. Fürst, Gf. Graf, Gfn. Gräfin, Gft. Grafschaft, Ghz. Großherzog, Ghzn. Großherzogin, Hz. Herzog, hzgl. herzöglich, Hzm. Herzogtum, Kf. Kurfürst, Kfm. Kurfürstentum, Kg. König, kgl. königlich, Kgn. Königin, Kgr. Königreich, Ks. Kaiser, Kurw. Kurwürde, Lgf. Landgraf, Mgf. Markgraf, Mgft. Markgrafschaft, n. 992 nach 992, Nied. Nieder-, Ob. Ober-, P.U./PU Personalunion, Pfg. Pfalzgraf, Pr./Prz. Prinz, Prät. Prätendent, Przr. Prinzregent, Reg. Regent(in), Sign. Signore, Sn. Seigneur, Statth./Sth. Statthalter, Thronf. Thronfolger, Unt. Unter-, v. 1045 vor 1045, v. Tirol von Tirol (v. wird dabei oft weggelassen, Bsp.: Gf. Hoya Gf. v. Hoya)
Beschreibung
Umzug der Schaumburger: Weichenstellung für Holstein
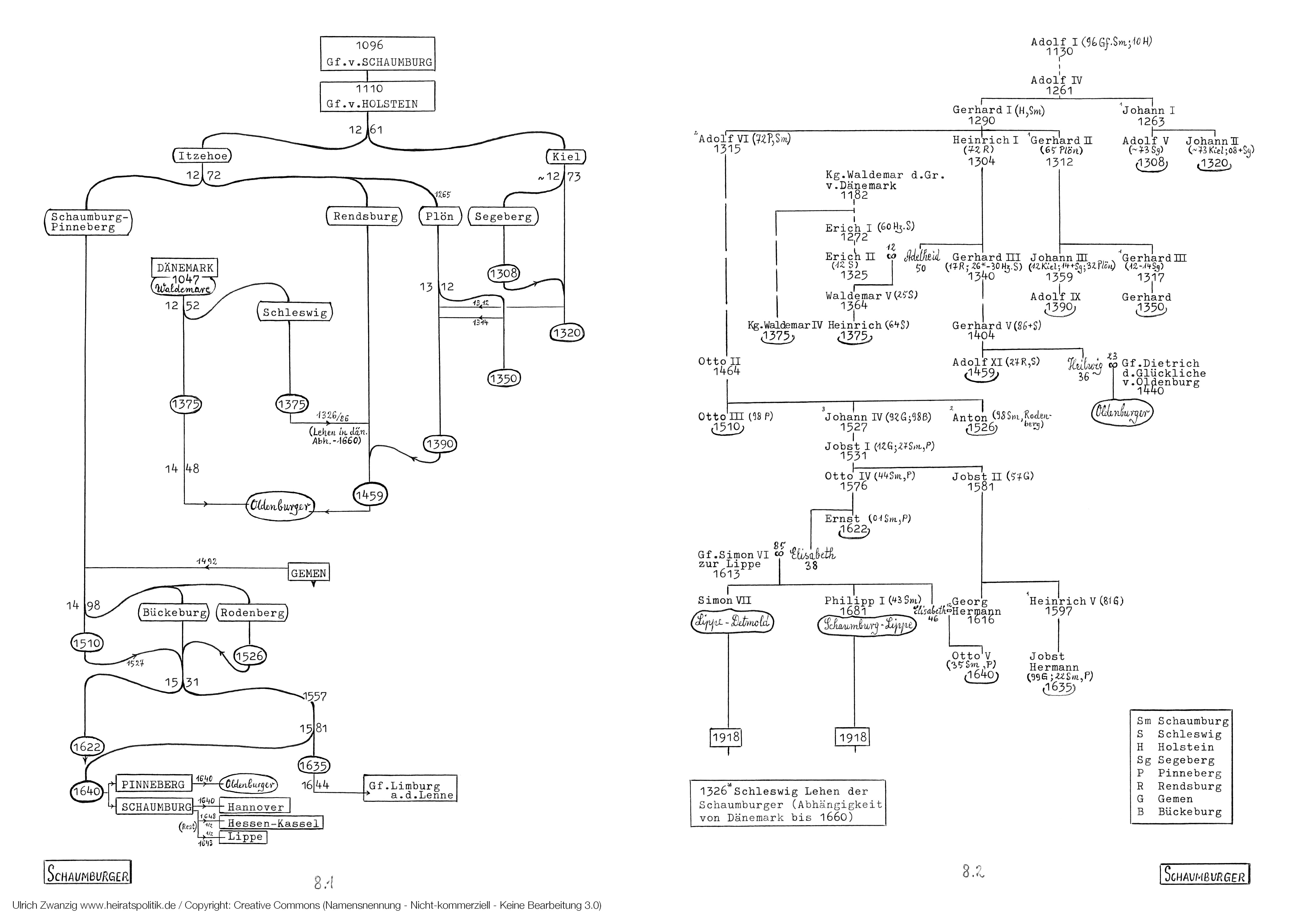
Der Umzug der Familie Schaumburg von der mittleren Weser an den Rand des Herzogtums Sachsen bedeutete für Holstein eine Weichenstellung. Die Position der Grafschaft zwischen dem römisch-deutschen Reich und Dänemark sowie ihr Verhältnis zu Schleswig änderten sich grundsätzlich.
Umgekehrt gelangten die Spannungen, welche diese Veränderung für Holstein mit sich brachte, im Werdegang der Dynastie zum Ausdruck. Es kam zu einer eigenartigen Ausrichtung der holsteinischen Linien, die über die geographische Trennung der Gft. Holstein von der Gft. Schaumburg hinwegreichte.
1) Das Verhältnis zwischen Holstein und Schleswig
Um 1100 waren Holstein und Schleswig eindeutig zugeordnet: Die Grafen v. Holstein galten als deutsche Fürsten, Schleswig wurde von dänischen Statthaltern verwaltet. Nachdem Hz. Lothar v. Sachsen, seit 1133 Kaiser, 1110 Adolf I v. Schaumburg mit Holstein belehnt hatte, begann sich diese eindeutige Zuordnung zu verwischen.
Einerseits lockerte der Einfluß der Schaumburger die dänische Abhängigkeit Schleswigs, und Gerhard III v. Holstein konnte 1330 sogar Ansprüche auf Schleswig erheben, die sein Enkel Gerhard V 1386 verwirklichte.
Andrerseits blieb nicht nur Schleswig nach 1386 weiter dänisches Lehen, sondern umgekehrt gelangte 1459 auch Holstein in die dänische Sphäre: Als nämlich mit Adolf XI 1459 die holsteinischen Schaumburger ausstarben, folgte die Familie der Oldenburger, und deren Chef Christian I war seit 1448 Kg. v. Dänemark.
So datierte von 1386 die dauernde staatsrechtliche Verbindung Schleswigs und Holsteins, und sie verdankte sich den Schaumburgern. Der dänischen Thronbesteigung 1448 durch die Oldenburger aber verdankte sich die notorische Verwirrung darüber, ob dieser Komplex näher beim dänischen oder beim deutschen Nachbarn stand.
2) Widerspiegelung der holsteinischen Politik in Schaumburgs Linien
Nach Adolf IV wurde 1261 geteilt in Kiel und Itzehoe, woraus 1272 die Zweige Rendsburg, Plön und Segeberg hervorgingen. Diese Zweige beschränkten sich seit 1390, als mit Adolf IX Plön ausstarb, auf den Rendsburger Zweig, mit dessen Ende 1459 die Schaumburger zwar den Oldenburgern die holsteinische Bühne überließen, doch von ihr nicht ganz abtraten.
Bei der Teilung von 1272 hatte nämlich Adolfs IV Enkel Adolf VI zur Stammgft. Schaumburg auch das Gebiet Pinneberg bekommen, und Adolfs VI Ururenkel Otto II weigerte sich 1459, den Oldenburgern sanglos das Feld zu überlassen, sondern ließ sich von ihnen für den Verlust Plöns damit entschädigen, daß er Pinneberg behielt. So blieb Holstein bis 1640, als der letzte Schaumburger, Otto V, starb, zwischen zwei Dynastien geteilt.
Seines Vaters Cousine Elisabeth hatte Gf. Simon VI aus der Familie zur Lippe geheiratet. Ihr Sohn Simon VII eröffnete den Zweig Lippe-Detmold, dessen Bruder Philipp I den Zweig Schaumburg-Lippe. Er setzte Schaumburg bis 1918 fort.