Mark-Altena
Abbildung 15.1 und 15.2

Abkürzungen: ~600 um 600, a. d. an der, Abd. Abdankung, Abh. Abhängigkeit, -b˘g. -burg, Bf. Bischof, -bg. -berg, Bgf. Burggraf, Bm. Bistum, d. Ä. d. Ältere, d. Ju. d. Junge, d. Jü. d. Jüngere, dt. deutsch, Ebf. Erzbischof, Ebm. Erzbistum, Ehz. Erzherzog, Fsm. Fürstentum, Fst. Fürst, Gf. Graf, Gfn. Gräfin, Gft. Grafschaft, Ghz. Großherzog, Ghzn. Großherzogin, Hz. Herzog, hzgl. herzöglich, Hzm. Herzogtum, Kf. Kurfürst, Kfm. Kurfürstentum, Kg. König, kgl. königlich, Kgn. Königin, Kgr. Königreich, Ks. Kaiser, Kurw. Kurwürde, Lgf. Landgraf, Mgf. Markgraf, Mgft. Markgrafschaft, n. 992 nach 992, Nied. Nieder-, Ob. Ober-, P.U./PU Personalunion, Pfg. Pfalzgraf, Pr./Prz. Prinz, Prät. Prätendent, Przr. Prinzregent, Reg. Regent(in), Sign. Signore, Sn. Seigneur, Statth./Sth. Statthalter, Thronf. Thronfolger, Unt. Unter-, v. 1045 vor 1045, v. Tirol von Tirol (v. wird dabei oft weggelassen, Bsp.: Gf. Hoya Gf. v. Hoya)
Beschreibung
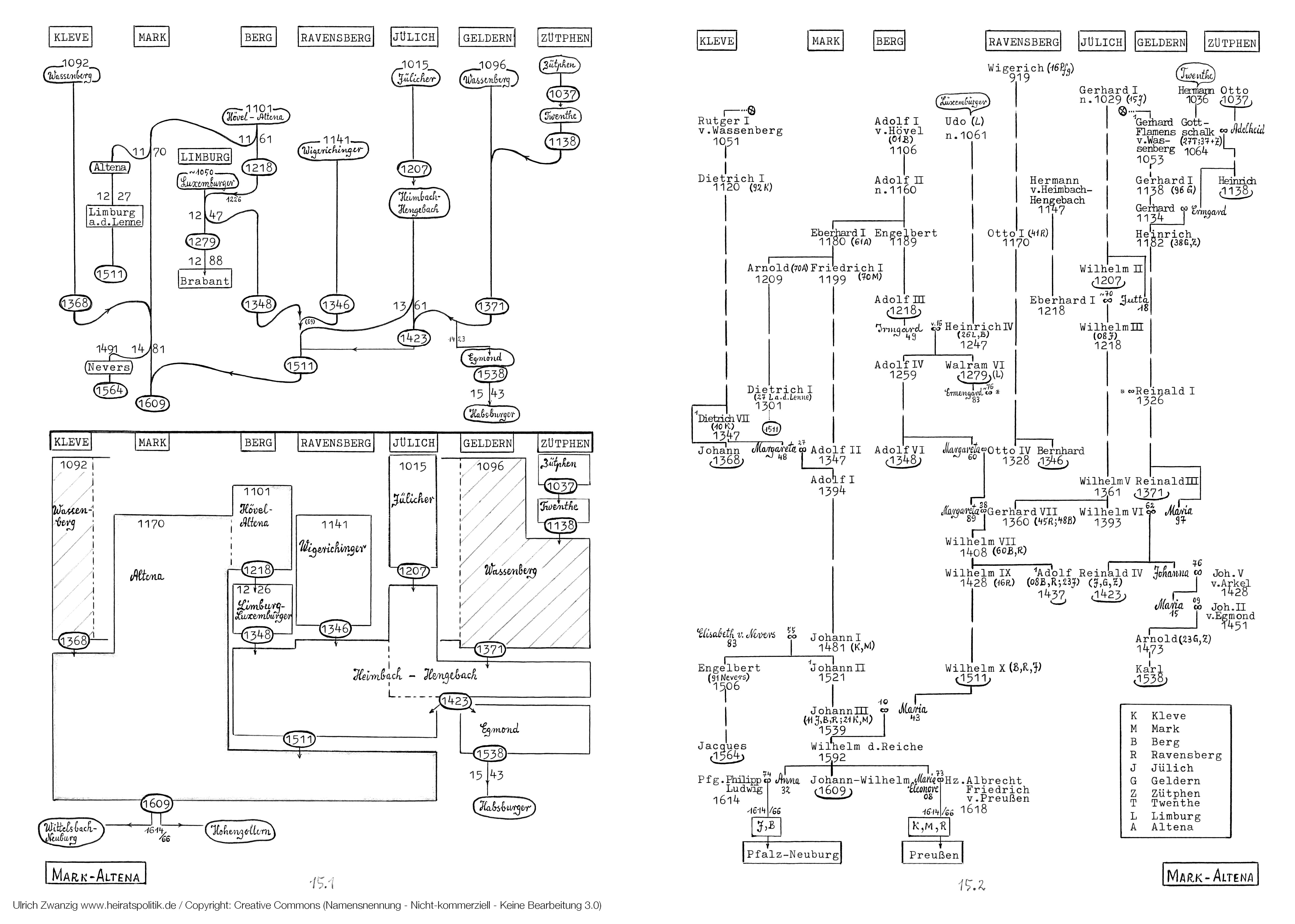
Niederrheinische Heiratspolitik
Der niederrheinische Herrschaftskomplex, den die Herzöge v. Jülich und Kleve angesammelt hatten und die Hohenzollern nach 1609 zu einer der Säulen der norddeutschen Hegemonie machten, die sie im 19. Jh. aufrichteten, war nicht das Werk eines Geschlechtes, sondern einer Gruppe, die ein halbes Dutzend Geschlechter umfasste. Darin unterscheidet sich Nordrhein-Westfalen von den anderen der hier betrachteten 20 Länder: Den entscheidenden Faktor der territorialen Umverteilung bildete nicht das eine Haus mit seinen Seitenlinien, sondern die Verbindung mehrerer Häuser durch Heirat.
Das darzustellen wird in 15.1-2 versucht. Die Stammtafel 15.2 hat vorrangig den Zweck, die Rolle der Erbtöchter zu verdeutlichen, die als Ehefrauen das geerbte Gut ihres im männlichen Stamm ausgestorbenen Hauses in das Haus ihres Gatten brachten. Entsprechend ist das Liniendiagramm (15.1 oben) vielmehr ein Familiendiagramm: Entlang der Abszissenachse sind die Länder angeordnet, und die Pfeile lassen erkennen, welches Land zu welcher Zeit die Familie wechselte.
Wenn man nun solches Besitzverhältnis zwischen Land und Familie durch Rechtecke darstellt, wie in 15.1 unten, so erhält man eine Übersicht über Zeitraum und Umfang des Gesamtbesitzes der jeweiligen Familie.
Personalunion
Beispielsweise hatte die Familie Altena die Gft. Berg inne seit Adolf I v. Hövel, der sie 1101 erwarb, bis Adolf III 1218, ferner die Gft. Mark, welche 1170 von Friedrich I, dem Cousin Adolfs III, erworben wurde. Doch bestand keine Personalunion (darum die gestrichelte Linie!): Adolf III besaß Berg, Friedrich I besaß Mark.
Dessen direkter Nachkomme Johann III heiratete Maria, die Erbtochter Wilhelms X, des letzten Heimbach-Hengebach. Damit brachte sie Jülich und Ravensberg sowie erneut Berg in die Familie Altena: Johann III v. Mark und Kleve wurde 1511 auch Inhaber von Jülich, Berg und Ravensberg, so daß also Personalunion bestand (darum keine gestrichelte Linie!), und zwar bis zu Johann-Wilhelms Tod 1609.
Erwähnt sei schließlich das Geschlecht der Wassenberg, das bis 1371 Kleve und Geldern innehatte, und zwar nicht in Personalunion (gestrichelte Linie!). Zu Geldern war 1138 das Erbe der Familie Twenthe, die Gftn. Zütphen und Veluwe, hinzugekommen. Nach 1423 regierte die Familie Egmond, von der Geldern 1543 an die Habsburger gelangte.